Privacy statement: Your privacy is very important to Us. Our company promises not to disclose your personal information to any external company with out your explicit permission.
Mẫu số: EWT4500A
Thương hiệu: ĐƠN HÀNG OEM CÓ THỂ CHẤP NHẬN
Origin: TRUNG QUỐC
Nguồn Năng Lượng: Điện
ứng Dụng: ATV / UTV
Vôn: 24V, 12V
Bao bì: XUẤT KHẨU CARTON
Giao thông vận tải: Ocean,Air
Xuất xứ: TRUNG QUỐC
Hải cảng: NINGBO,SHANGHAI
Hình thức thanh toán: L/C,T/T,D/P
Incoterm: FOB,CFR,CIF
Tời điện 4500lb Số mặt hàngEWT4500A
Đặc trưng:
1. Hộp giảm tốc thép miễn phí
2. Cơ cấu ly hợp bằng sáng chế
3. Bộ ly hợp ống đệm tự do
4. Hành động phanh hình nón trục vít tự động
5. Tùy chọn ổ điện DC 12V hoặc DC 24V
6. Điều khiển công tắc làm việc thô sơ cao trực tiếp
7. Điều khiển chuyển đổi tay lái ATV
EWT4500
| SPECIFICATION | |
| Rated line pull | 4500 lbs (2041 kgs) |
| Motor: permanent magnet |
12V:Input: 2.5kW / 3.4hp; Output: 1.1 kW / 1.4hp
24V:Input: 2.6kW / 3.5hp; Output: 1.2kW / 1.5hp |
| Gear reduction ratio | 166:1 |
| Cable (Dia.× L) | Ø 15/64″×47.6′ (Ø6.0mm×14.5m) |
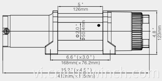
| Drum size (Dia.× L) | Ø 2.0″×4.9″ (Ø50.4mm×125 mm) |
| Mounting bolt pattern | 6.6″×3.0″ (168mm×76.2 mm) 4-M8 |
| Pull Speed Amperes Volts First layer | Line Pull And Rope Capacity In Layer | ||||||
|
Line Pull
Ibs (kgs) |
Line Speed
Ft/min (m/min) |
Current
A |
Layer
of cable |
Rated line pull
lbs(kgs) |
Total Rope On Drum
ft (m) |
||
| 12V DC | 24V DC | 12V DC | 24V DC | 1 | 4500(2041) | 10.8(3.3) | |
| 0 | 12.5(3.8) | 14.4(4.4) | 28 | 14 | 2 | 3833(1740) | 24.0(7.3) |
| 1000(454) | 8.5(2.6) | 11.1(3.4) | 140 | 50 | 3 | 3338(1515) | 39.4(12.0) |
| 2500(1135) | 6.2(1.9) | 8.8(2.7) | 170 | 90 | 4 | 2957(1342) | 47.6(14.5) |
| 4500(2041) | 5.2(1.6) | 4.6(1.4) | 220 | 110 | |||
| ITEM | EWT4500D | EWT4500A | EWT4500U |
| Overall dimensions |
16.2″×4.5″×4.8″
412mm×115mm×123 mm |
16.2″×4.5″×4.8″
412mm×115mm×123 mm |
16.3″×4.5″×6.6″
413mm×125mm×168mm |
| (L×W×H) | |||
|
Net weight (Ibs)
(kgs) |
29.8
13.5 |
32.4
14.7 |
32.4
14.7 |

Kích thước tổng thể: 16,2 "x4,5" x4,8 "
(LxWxH) 412mmx125mmx123mm
Khối lượng tịnh : 14,7 kgs

Danh mục sản phẩm : Atv và Utv Winches > Tời bên cạnh
Privacy statement: Your privacy is very important to Us. Our company promises not to disclose your personal information to any external company with out your explicit permission.
Fill in more information so that we can get in touch with you faster
Privacy statement: Your privacy is very important to Us. Our company promises not to disclose your personal information to any external company with out your explicit permission.