Privacy statement: Your privacy is very important to Us. Our company promises not to disclose your personal information to any external company with out your explicit permission.
Mẫu số: EWK5000F
Thương hiệu: ĐƠN HÀNG OEM CÓ THỂ CHẤP NHẬN
Nguồn Năng Lượng: Điện
ứng Dụng: ATV / UTV
Vôn: 24V, 12V
Bao bì: XUẤT KHẨU CARTON
Giao thông vận tải: Ocean,Air
Xuất xứ: TRUNG QUỐC
Hải cảng: NINGBO,SHANGHAI
Hình thức thanh toán: L/C,T/T,D/P
Incoterm: FOB,CFR,CIF
Tời điện 5000 lbs Mục số. EWK5000F là sản phẩm đại diện cho sản phẩm tời địa hình thế hệ đầu tiên của chúng tôi, nó vẫn giữ được sự đánh giá tốt trong lòng các khách hàng hợp tác lâu dài của chúng tôi là do chúng tôi không ngừng nỗ lực cải tiến sản phẩm để đảm bảo chúng có chất lượng ổn định, hiệu suất tốt và giá cả hợp lý.
Đặc trưng:
1. Bộ ly hợp ống đệm tự do
2. Hành động phanh hình nón trục vít tự động
3. Tùy chọn ổ điện DC 12V hoặc DC 24V
4. Động cơ nam châm vĩnh cửu
5. Điều khiển từ xa thông qua hộp điều khiển và công tắc
6. Điều khiển từ xa không dây có sẵn Loại F cố định trong hộp điều khiển
7. Có sẵn bộ căng SWR
EWK5000
| SPECIFICATION | |
| Rated line pull | 5000 lbs (2268 kgs) |
| Motor: permanent magnet |
12V:Input: 2.8kW /3.8hp; Output: 1.4kW / 1.9hp
24V:Input: 4.3kW / 5.8hp; Output: 1.7kW /2.3hp |
| Gear reduction ratio | 294:1(12V); 210:1(24V) |
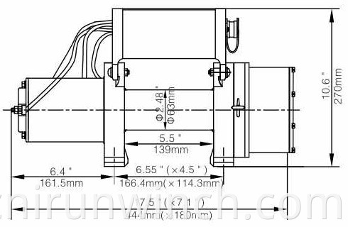
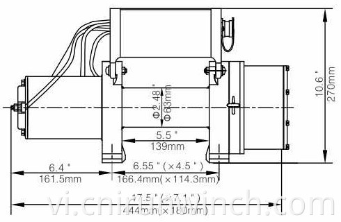
| Cable (Dia.× L) | Ø1/4 “×79 ‘ (Ø6.4mm×24m) |
| Drum size (Dia.× L) | Ø2.48 “×5.5 ” (Ø63mm×139 mm) |
| Mounting bolt pattern | 6.55 “×4.5 ” (166.4mm×114.3 mm) 4-M10 |
| Pull Speed Amperes Volts First layer | Line Pull And Rope Capacity In Layer | ||||||
|
Line Pull
Ibs (kgs) |
Line Speed
Ft/min (m/min) |
Current
A |
Layer
of cable |
Rated line pull
lbs(kgs) |
Total Rope On Drum
ft (m) |
||
| 12V DC | 24V DC | 12V DC | 24V DC | 1 | 5000(2268) | 14.8(4.5) | |
| 0(0) | 12.1(3.7) | 18.0(5.5) | 45 | 25 | 2 | 4200(1905) | 29.5(9.0) |
| 1000(454) | 10.5(3.2) | 15.7 (4.8) | 90 | 55 | 3 | 3700(1678) | 55.8(17.0) |
| 3000(1361) | 7.5 (2.3) | 11.5 (3.5) | 150 | 100 | 4 | 3200 (1452) | 78.7(24.0) |
| 5000(2268) | 4.9 (1.5) | 5.3 (1.6) | 230 | 180 | 5 | 5000(2268) | 14.8(4.5) |
| ITEM | EWK5000U | EWK5000S | EWK5000F |
| Overall dimensions |
18.4″×7.1″×9.6″
466mm×180mm×243mm |
17.5″×7.1″×11.7″
444mm×180mm×297mm |
17.5″×7.1″×10.6″
444mm×180mm×270mm |
| (L×W×H) | |||
| Net weight (Ibs) |
47.8
21.7 |
48.2
21.9 |
49.8
22.6 |
| (kgs) |

Kích thước tổng thể : 17,5 "x 7,1" x 10,6 " 
(Dài x Rộng x Cao) 444mm x 180mm x 270mm
Privacy statement: Your privacy is very important to Us. Our company promises not to disclose your personal information to any external company with out your explicit permission.
Fill in more information so that we can get in touch with you faster
Privacy statement: Your privacy is very important to Us. Our company promises not to disclose your personal information to any external company with out your explicit permission.